1
/
of
1
SCAG
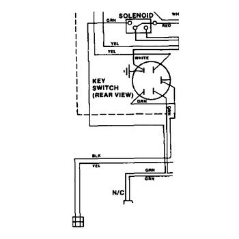
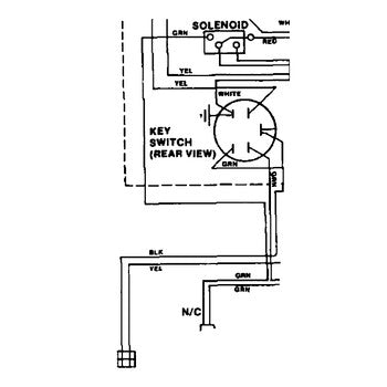
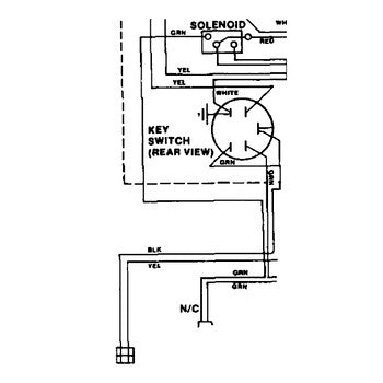
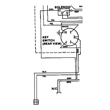
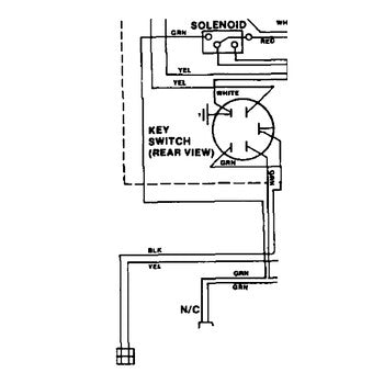
Scag 48400 - WIRE HARNESS
Scag 48400 - WIRE HARNESS
SKU:S48400
Regular price
$109.50 USD
Regular price
$109.50 USD
Sale price
$109.50 USD
Shipping calculated at checkout.
Quantity
Couldn't load pickup availability
Scag 48400 - WIRE HARNESS
Share
